製品の依頼

製品比較 0/3

aj.product.detail.image_diagram_power_altF100-M636.04 S11
出力、トルク-回転数ダイヤグラム
液体冷却
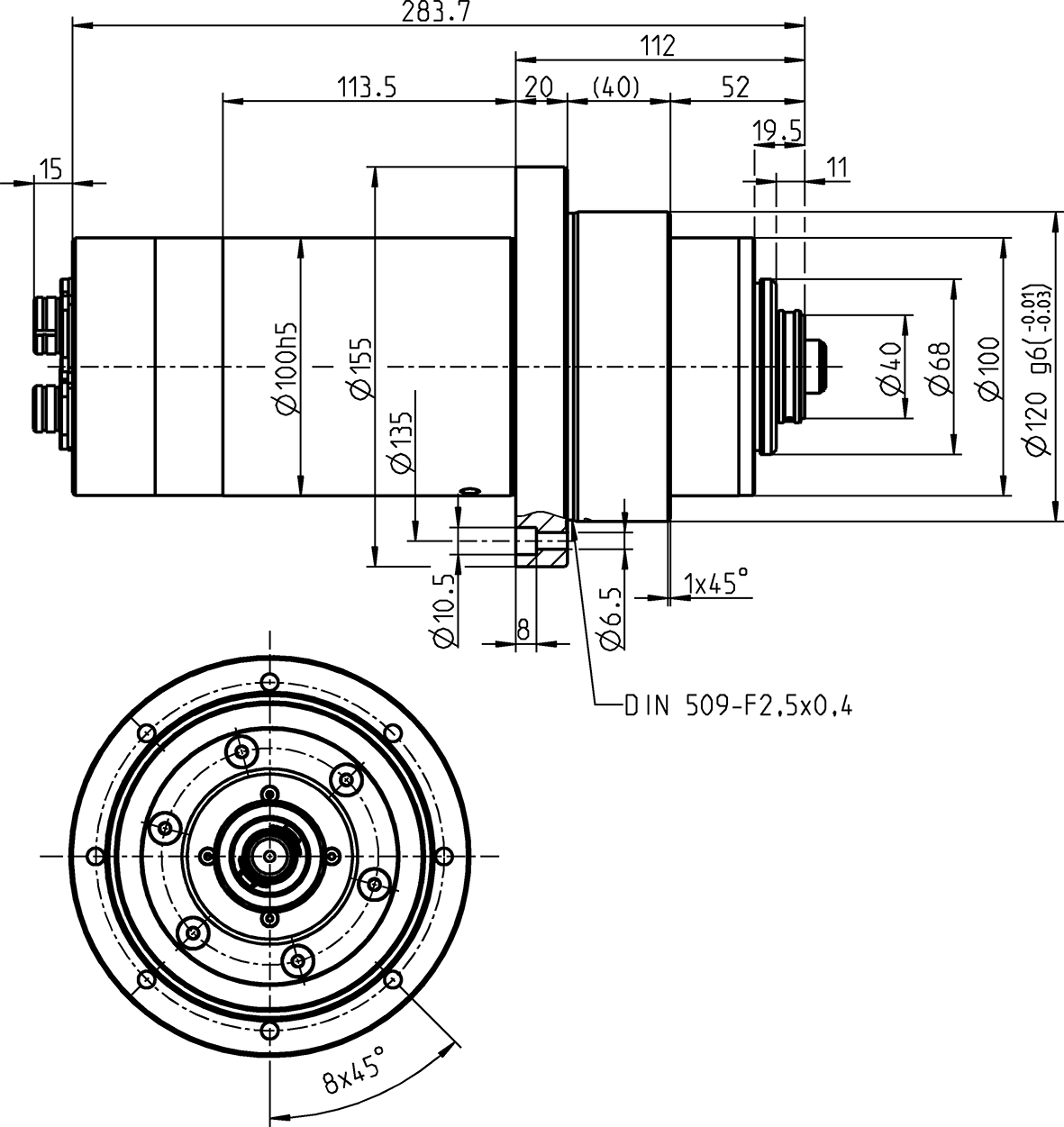
aj.product.detail.image_dimensions_altF100-M636.04 S11
寸法図

F100-M636.04 S11

製品番号 10206003
aj.product.detail.image_altF100-M636.04 S11
aj.product.detail.image_diagram_power_altF100-M636.04 S11
出力、トルク-回転数ダイヤグラム
液体冷却
aj.product.detail.image_dimensions_altF100-M636.04 S11
寸法図

テクニカルデータ

高精度ハイブリッド・ボールベアリング (個数) 4
無交換グリース潤滑 メンテナンス・フリー
周波数 1200 Hz
モーターポール数対 2
定格回転数 36,000 rpm
定格出力 (Pmax/5s) 16.1 kW
定格出力 (S6-60%) 11.5 kW
定格出力 (S1-100%) 10 kW
電圧 (Pmax/5s) 380 V
電圧 (S6-60%) 380 V
電圧 (S1-100%) 380 V
電流 (Pmax/5s) 38.4 A
電流 (S6-60%) 28.5 A
電流 (S1-100%) 25.7 A
回転数モニタリング トランスミッター (TTL)
信号数 = 6
ハウジング ステンレススティール
ハウジング外径 100 mm
フランジ径 155 mm
P.C.D. Ø135 mm ( 8 x Ø 6,5 )
以下ねじ用: M6
冷却 液体冷却
">動作周囲温度 + 10° C … + 45° C
シーリング・エアー はい
保護等級 IP54
ツール交換 手動テーパー交換
工具ホルダー HSK-C 40
クランプ範囲 16 mm
作動方向 時計回りおよび反時計回り
カップラープラグ 5 ピン (ECTA 133)
モータ相
12 ピン (ECTA 133)
センサー
重量 15 kg
同心度 <1 µ
軸方向振れ <1 µ
aj.product.detail.image_diagram_power_altF100-M636.04 S11
aj.product.detail.image_dimensions_altF100-M636.04 S11