电主轴及其配件

产品比较 0/3

aj.product.detail.image_diagram_power_altARS33-M060.23 K3S15
功率图
主轴支架冷却
aj.product.detail.image_diagram_power_uncooled_altARS33-M060.23 K3S15
功率图
无冷却
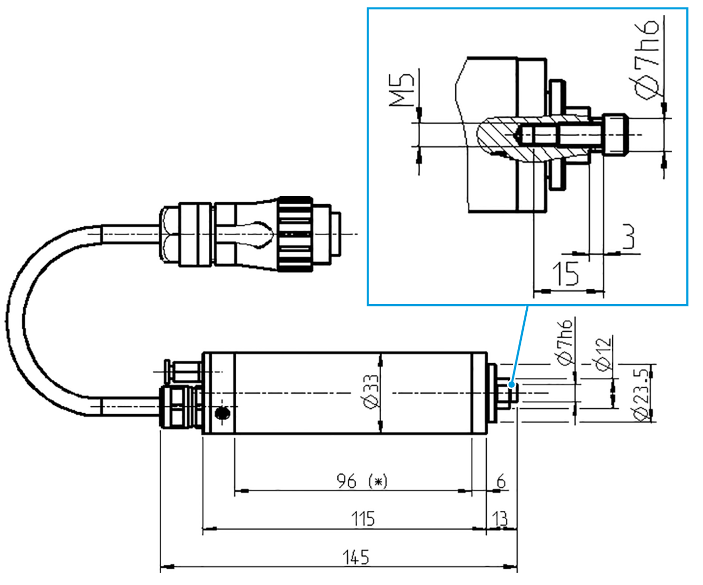
aj.product.detail.image_dimensions_altARS33-M060.23 K3S15
尺寸

ARS33-M060.23 K3S15

产品编号 15201043
aj.product.detail.image_altARS33-M060.23 K3S15
aj.product.detail.image_diagram_power_altARS33-M060.23 K3S15
功率图
主轴支架冷却
aj.product.detail.image_diagram_power_uncooled_altARS33-M060.23 K3S15
功率图
无冷却
aj.product.detail.image_dimensions_altARS33-M060.23 K3S15
尺寸

技术参数

钢球轴承 (个) 2
永久油脂润滑 免维护
频率 1000 Hz
电机极数(成对) 1
额定转速 60,000 rpm
额定功率 ((Pmax/5s) 0.55 kW *
(0.4 kW **)
额定功率 (S6-60%) 0.5 kW *
(0.34 kW **)
额定功率 (S1-100%) 0.43 kW *
(0.25 kW **)
电压 (Pmax/5s) 57 V *
(47 V **)
电压 (S6-60%) 57 V *
(47 V **)
电压 (S1-100%) 57 V *
(44 V **)
电流 (Pmax/5s) 10 A *
(8.2 A **)
电流 (S6-60%) 9.4 A *
(7.8 A **)
电流 (S1-100%) 8.6 A *
(8.1 A **)
外壳
外壳直径 33 mm
冷却 无冷却
散热 通过电主轴托架
外壳温度 <+ 45° C
工作环境温度 + 10° C ~ + 45° C
密封空气
防护等级 IP54
刀具更换 手动换刀
刀架 磨具
最大 Ø18 mm
最大 t =4 - 6 mm
夹紧范围 Ø7 h6 - M5
运行方向 右转
设备插头 7 针 (Amphenol C16-1)
电缆长度 3 m
重量 0.65 kg
轴向跳动 <1 µ
*) 主轴支架冷却 **) 无冷却

可选配件

电主轴托架,带散热片 33

22890651

电主轴托架,圆形,带散热片 33

22894250

电主轴托架,带散热片 33

22895650

电主轴托架,圆形 33

22896450

电主轴托架,圆形 33

22897150

aj.product.detail.image_diagram_power_altARS33-M060.23 K3S15
aj.product.detail.image_diagram_power_uncooled_altARS33-M060.23 K3S15
aj.product.detail.image_dimensions_altARS33-M060.23 K3S15