製品の依頼

製品比較 0/3

aj.product.detail.image_diagram_power_altF120-H830.10 S11W2V
出力、トルク-回転数ダイヤグラム
液体冷却
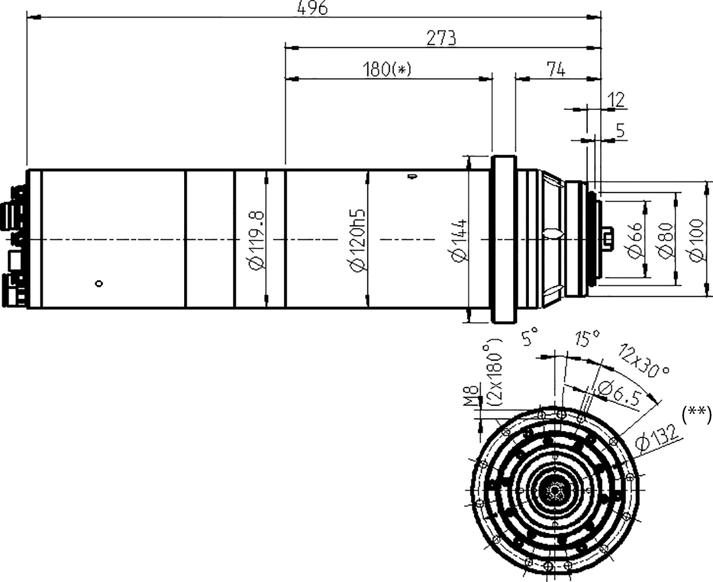
aj.product.detail.image_dimensions_altF120-H830.10 S11W2V
寸法図

F120-H830.10 S11W2V

製品番号 10408020-01
aj.product.detail.image_altF120-H830.10 S11W2V
aj.product.detail.image_diagram_power_altF120-H830.10 S11W2V
出力、トルク-回転数ダイヤグラム
液体冷却
aj.product.detail.image_dimensions_altF120-H830.10 S11W2V
寸法図

テクニカルデータ

高精度ハイブリッド・ボールベアリング (個数) 4
無交換グリース潤滑 メンテナンス・フリー
モーター技術 3相非同期モーター
(ブラシレス、センサレス)
周波数 1000 Hz
モーターポール数対 2
定格回転数 30,000 rpm
定格出力 (Pmax/5s) 24 kW
定格出力 (S6-60%) 19 kW
定格出力 (S1-100%) 12 kW
電圧 (Pmax/5s) 380 V
電圧 (S6-60%) 380 V
電圧 (S1-100%) 380 V
電流 (Pmax/5s) 60 A
電流 (S6-60%) 45.3 A
電流 (S1-100%) 40.4 A
回転数モニタリング ベクトル制御
モーター保護 PTC 130° C
Pt1000
ハウジング ステンレススティール
ハウジング外径 120 mm
フランジ径 144 mm
P.C.D. Ø132 mm ( 12 x Ø 6,5 )
以下ねじ用: M6
冷却 液体冷却
">動作周囲温度 + 10° C … + 45° C
シーリング・エアー はい
保護等級 IP54
テーパー・クリーニング はい
ツール交換 空圧式ツールホルダー交換
工具ホルダー HSK-E 50
クランプ状態監視 誘導型
クランプ範囲 20 mm
作動方向 時計回りおよび反時計回り
カップラープラグ 5ピン(ECTA 133)
(モータ相)
12ピン (ECTA 133)+ 17ピン
(センサー)
重量 27 kg
同心度 <1 µ
軸方向振れ <1 µ
aj.product.detail.image_diagram_power_altF120-H830.10 S11W2V
aj.product.detail.image_dimensions_altF120-H830.10 S11W2V