製品の依頼

製品比較 0/3

aj.product.detail.image_diagram_power_altChopper 2300-40 K S5A
出力、トルク-回転数ダイヤグラム
液体冷却
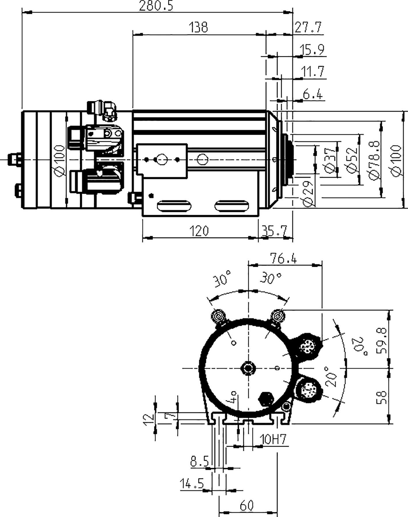
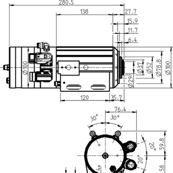
aj.product.detail.image_dimensions_altChopper 2300-40 K S5A
寸法図

Chopper 2300-40 K S5A

製品番号 11403003
aj.product.detail.image_altChopper 2300-40 K S5A
aj.product.detail.image_diagram_power_altChopper 2300-40 K S5A
出力、トルク-回転数ダイヤグラム
液体冷却
aj.product.detail.image_dimensions_altChopper 2300-40 K S5A
寸法図

テクニカルデータ

高精度ハイブリッド・ボールベアリング (個数) 2
無交換グリース潤滑 メンテナンス・フリー
周波数 667 Hz
モーターポール数対 1
定格回転数 40,000 rpm
定格出力 (Pmax/5s) 3.5 kW
定格出力 (S6-60%) 2.6 kW
定格出力 (S1-100%) 2.3 kW
電圧 (Pmax/5s) 200 V
電圧 (S6-60%) 200 V
電圧 (S1-100%) 200 V
電流 (Pmax/5s) 14 A
電流 (S6-60%) 10 A
電流 (S1-100%) 9.5 A
回転数モニタリング トランスミッター (TTL)
信号数 = 6
モーター保護 PTC 130° C
ハウジング アルミニウム
ハウジング外径 100 mm
冷却 液体冷却
">動作周囲温度 + 10° C … + 45° C
シーリング・エアー はい
保護等級 IP54
テーパー・クリーニング はい
ツール交換 空圧式ツールホルダー交換
工具ホルダー WK 19
クランプ状態監視 誘導型
コレット・タイプ ER 16 / D 10
オプションアクセサリー
クランプ範囲 10 mm ( 25/64" )
作動方向 時計回りおよび反時計回り
カップラープラグ 9ピン (SpeedTEC)
(モータ相)
12ピン
(センサー)
重量 7 kg
同心度 <2 µ<2 µ
軸方向振れ <2 µ

オプションアクセサリー

工具ホルダー WK 19-22/42

21952050

コレット 3 mm ER16

42426030

コレット 1/8” ER16

42426035

コレット 4 mm ER16

42426040

コレット 6 mm ER16

42426060

コレット 8 mm ER16

42426080

コレット 1/4” ER16

42426065

コレット 10 mm ER16

42426100

WS 35/22

25251950

工具ホルダー WK 19-22/35

21952250

コレット 3 mm ER16

42426030

コレット 1/8” ER16

42426035

コレット 4 mm ER16

42426040

コレット 6 mm ER16

42426060

コレット 8 mm ER16

42426080

コレット 1/4” ER16

42426065

コレット 10 mm ER16

42426100

WS 35/22

25251950

工具ホルダー WK 19-10/35

21951050

コレット 3 mm D10

42410030

コレット 1/8” D10

42410031

コレット 4 mm D10

42410040

コレット 6 mm D10

42410060

コレット 8 mm D10

42410080

コレット 1/4” D10

42410063

コレット 10 mm D10

42410100

WS 35/30

25250750

工具ホルダー WK 19-10/74

21953050

コレット 3 mm D10

42410030

コレット 1/8” D10

42410031

コレット 4 mm D10

42410040

コレット 6 mm D10

42410060

コレット 8 mm D10

42410080

コレット 1/4” D10

42410063

コレット 10 mm D10

42410100

WS 35/30

25250750

工具ホルダー WK 19-10/35

21975050

コレット 3 mm D10

42410030

コレット 1/8” D10

42410031

コレット 4 mm D10

42410040

コレット 6 mm D10

42410060

コレット 8 mm D10

42410080

コレット 1/4” D10

42410063

コレット 10 mm D10

42410100

WS 35/30

25250750

aj.product.detail.image_diagram_power_altChopper 2300-40 K S5A
aj.product.detail.image_dimensions_altChopper 2300-40 K S5A