製品の依頼

製品比較 0/3

aj.product.detail.image_diagram_power_altChopper 1500-F H S5A
出力、トルク-回転数ダイヤグラム
ファン冷却
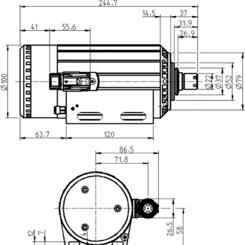
aj.product.detail.image_dimensions_altChopper 1500-F H S5A
寸法図

Chopper 1500-F H S5A

製品番号 11203006
aj.product.detail.image_altChopper 1500-F H S5A
aj.product.detail.image_diagram_power_altChopper 1500-F H S5A
出力、トルク-回転数ダイヤグラム
ファン冷却
aj.product.detail.image_dimensions_altChopper 1500-F H S5A
寸法図

テクニカルデータ

高精度ハイブリッド・ボールベアリング (個数) 2
無交換グリース潤滑 メンテナンス・フリー
周波数 500 Hz
モーターポール数対 1
定格回転数 30,000 rpm
定格出力 (Pmax/5s) 3.5 kW
定格出力 (S6-60%) 1.9 kW
定格出力 (S1-100%) 1.5 kW
電圧 (Pmax/5s) 200 V
電圧 (S6-60%) 200 V
電圧 (S1-100%) 200 V
電流 (Pmax/5s) 14 A
電流 (S6-60%) 7 A
電流 (S1-100%) 7 A
モーター保護 PTC 130° C
ハウジング アルミニウム
ハウジング外径 100 mm
冷却 ファン冷却
(3 x 電動ファン)
熱伝導 ハウジングを介して
ハウジング温度 <+ 55° C
">動作周囲温度 + 10° C … + 45° C
シーリング・エアー はい
保護等級 IP54
ツール交換 手動ツール交換
コレット・タイプ ER 16
オプションアクセサリー
クランプ範囲 10 mm ( 25/64" )
作動方向 時計回り
カップラープラグ 9ピン (SpeedTEC)
重量 6 kg
同心度 <2 µ

オプションアクセサリー

コレット 3 mm ER16

42426030

コレット 1/8” ER16

42426035

コレット 4 mm ER16

42426040

コレット 6 mm ER16

42426060

コレット 8 mm ER16

42426080

コレット 1/4” ER16

42426065

コレット 10 mm ER16

42426100

aj.product.detail.image_diagram_power_altChopper 1500-F H S5A
aj.product.detail.image_dimensions_altChopper 1500-F H S5A