製品の依頼

製品比較 0/3

aj.product.detail.image_diagram_power_altB150-H626.02 K1W2
出力、トルク-回転数ダイヤグラム
液体冷却
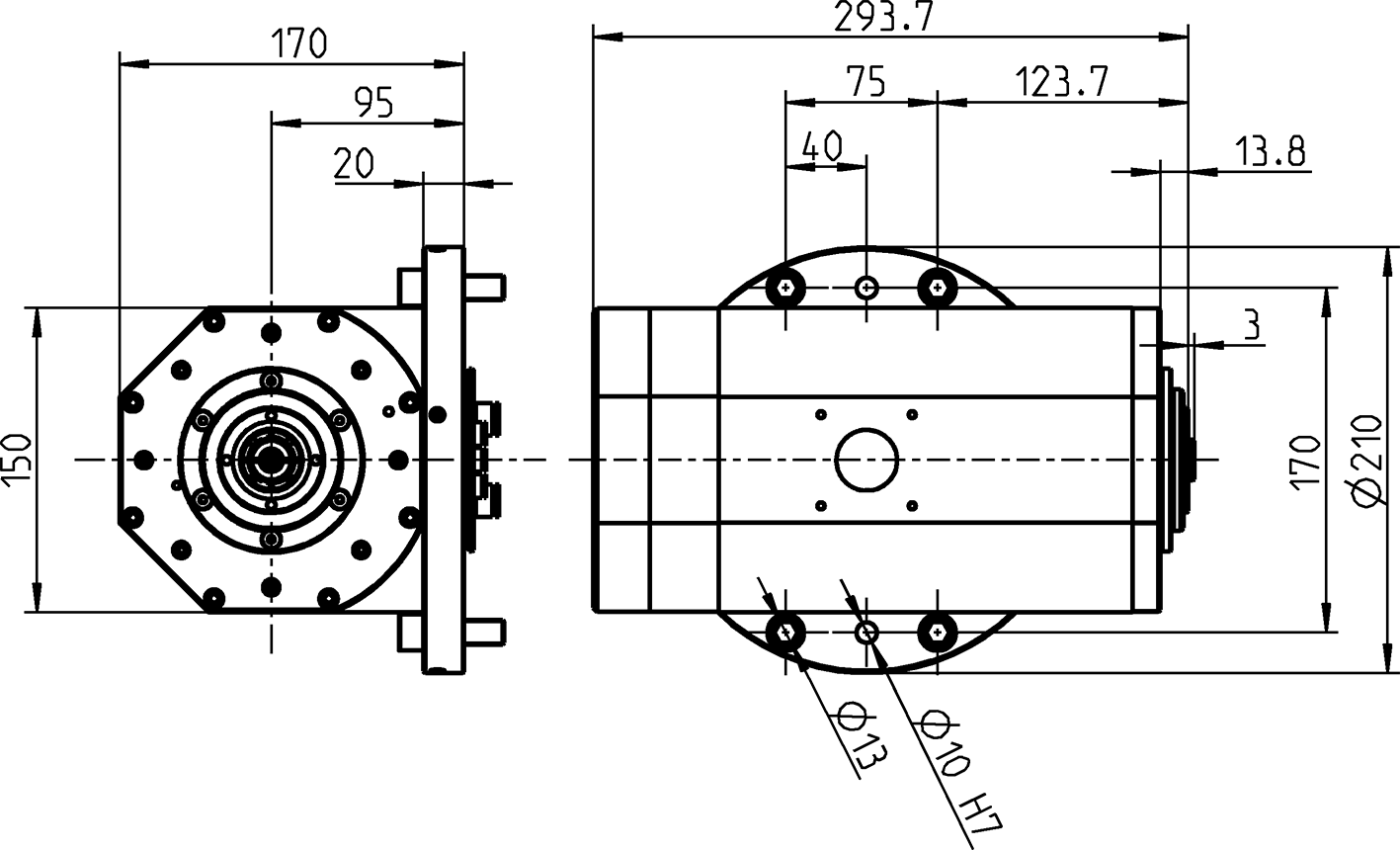
aj.product.detail.image_dimensions_altB150-H626.02 K1W2
寸法図

B150-H626.02 K1W2

製品番号 10406101
aj.product.detail.image_altB150-H626.02 K1W2
aj.product.detail.image_diagram_power_altB150-H626.02 K1W2
出力、トルク-回転数ダイヤグラム
液体冷却
aj.product.detail.image_dimensions_altB150-H626.02 K1W2
寸法図

テクニカルデータ

高精度ハイブリッド・ボールベアリング (個数) 4
無交換グリース潤滑 メンテナンス・フリー
モーター技術 3相非同期モーター
(ブラシレス、センサレス)
周波数 867 Hz
モーターポール数対 2
定格回転数 26,000 rpm
定格出力 (Pmax/5s) 18.8 kW
定格出力 (S6-60%) 12.4 kW
定格出力 (S1-100%) 10.9 kW
電圧 (Pmax/5s) 380 V
電圧 (S6-60%) 380 V
電圧 (S1-100%) 380 V
電流 (Pmax/5s) 42 A
電流 (S6-60%) 30.2 A
電流 (S1-100%) 27.5 A
回転数モニタリング 回転数モニタリング
Oオプションアクセサリー
ハウジング アルミニウム
ハウジング外径 210 mm x 210 mm
冷却 液体冷却
">動作周囲温度 + 10° C … + 45° C
シーリング・エアー はい
保護等級 IP54
テーパー・クリーニング はい
ツール交換 空圧式ツールホルダー交換
工具ホルダー HSK-E 40
クランプ状態監視 誘導型
クランプ範囲 16 mm
作動方向 時計回りおよび反時計回り
カップラープラグ ケーブル
長さ 3 m
(モータ相)
ケーブル
長さ 3 m
(センサー)
重量 28 kg
同心度 <1 µ
軸方向振れ <1 µ
aj.product.detail.image_diagram_power_altB150-H626.02 K1W2
aj.product.detail.image_dimensions_altB150-H626.02 K1W2